《電動汽車用直流接觸器》是2019年12月27日實施的一項中國國家標準。該標準規定了對電動汽車用直流接觸器的技術要求、試驗方法、檢驗規則、標志、包裝、運輸和貯存等要求,適用于額定電壓不超過1500V的電動汽車用直流接觸器。
一、范圍:
本標準規定了電動汽車用直流接觸器的范圍、術語、特性、產品資料、正常的使用和安裝條件、結構和性能要求以及試驗程序。
本標準適用于主觸頭用來接入額定電壓不超過直流1 500 V的電動汽車用直流接觸器,在電動汽車高壓電氣系統起接通與分斷電路的作用。
二、試驗項目:
沖擊試驗、振動試驗、溫度循環試驗、溫度快速變化試驗、溫濕度試驗、鹽霧試驗等。
三、試驗設備:
恒溫恒濕試驗箱、溫度沖擊試驗箱、鹽霧試驗機、振動試驗機等。
四、設備廠商:
環儀儀器
.jpg)
五、試驗程序(部分):
溫度循環試驗:
直流接觸器按GB/T 2423.22進行規定變化率的溫度循環試驗,按照圖7和表11規定進行30個循環。
在整個裝置達到Tn后使DUT通電運行,用盡可能短的時間檢查裝置的功能,試樣DUT的附加通電運行在循環的第210 min和第410 min間進行。溫度變化范圍應符合表11,試驗包括熱浸透溫度,見圖8和表12。
試驗過程中直流接觸器不允許出現損壞,功能狀態應達到A級。

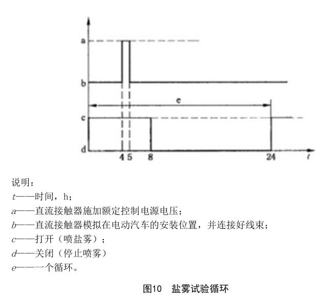
鹽霧試驗:
直流接觸器按GB/T 2423.17試驗Ka并按圖11所示循環進行。一個循環持續24 h。對試樣DUT噴霧8 h,然后休息16 h,在一個循環的第4小時和第5小時之間通電運行DUT,共進行6個循環。
試驗過程中直流接觸器不允許出現損壞,功能狀態應達到A級。









