《NB/T 31136-2018 海上用風力發電設備關鍵部件環境耐久性評價:變流器》是中國國家能源局發布的一項能源行業標準,適用于海上用風力發電設備的變流器的環境耐久性評價。
一、范圍:
本標準規定了海上用風力發電設備變流器的海上環境耐久性評價試驗項目、試驗方法、嚴酷等級及試驗合格判據等相關信息。
本標準適用于海上風力發電機組用變流器產品。
二、試驗項目:
耐高低溫試驗、耐濕熱試驗、耐鹽霧試驗、耐霉菌試驗等。
四、設備廠商:
環儀儀器
.jpg)
五、試驗程序(部分):
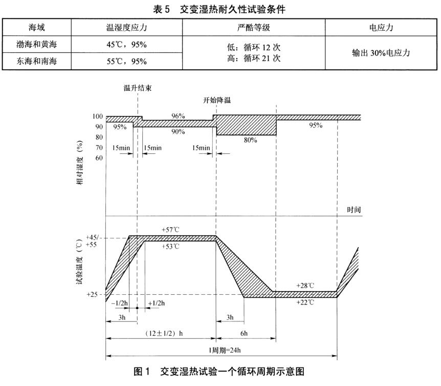
耐交變濕熱試驗:
試驗方法依據GB/T 2423.4-2008中的“試驗Db”進行。準備好試驗樣品,不包裝,按照相關標準進行外觀和電氣性能檢測。將試驗樣品放入溫度為標準大氣環境條件下的試驗箱中,將溫箱調至25℃±3K,并保持到試驗樣品達到溫度穩定為止。
然后將濕度在1h內升至不小于95%RH,按照表5的交變濕熱耐久性試驗條件依據圖1進行循環試驗。在每個循環的第3h~9h內樣品通電運行,輸出30%額定電應力,并進行功能檢查,其余時間試驗樣品不通電。試驗過程中要進行功能檢查,到試驗結束后,2h恢復至標準大氣環境條件,再按相關規范要求進行外觀、性能和功能檢查,以及按照4.2的要求進行絕緣功能測試。

總的來說,該標準的實施提高海上用風力發電設備變流器的環境耐久性能,保證其長期穩定運行,提高風力發電設備的安全性和可靠性。同時,該標準也為變流器的環境耐久性評價提供了統一的標準依據,有助于規范行業秩序,提高行業的整體水平。








