家用太陽能熱水器的耐凍試驗,是需要把太陽能熱水器放置在(-20±2)℃的環境下,維持工作8h,來判斷太陽能熱水器的工作性能。做家用太陽能熱水器的耐凍試驗,需要有合適的耐凍室,怎樣的家用太陽能熱水器耐凍室才符合要求?下面我們來看看。
家用太陽能熱水器耐凍室滿足標準:
GB 19141-2011-T 家用太陽能熱水系統技術條件
太陽能熱水器耐凍室技術參數:
1、溫度范圍: -20℃~150℃ (可按需訂制)
2、濕度范圍: 無濕度要求,也可定制
3、溫度波動:≤±0.5℃
4、溫度均勻度:≤2℃
5、精度范圍:溫度±0.1℃、指示精度±0.1℃
6、一般型號:環儀儀器HYND-22
太陽能熱水器耐凍室特點:
1、耐凍室外殼采用高級優質不銹鋼( SUS#304)數控機床加工成型。
2、內膽采用進口高級不銹鋼(SUS304) 鏡面板。
3、保溫材質:高密度玻璃纖維棉,保溫層厚度為100mm。
4、溫濕度循環系統:采用特制空調型低噪音長軸風扇電機,耐高低溫之不銹鋼多翼式葉輪,以大強度對流垂直擴散循環。
5、門與箱體之間采用雙層耐高溫之高張性密封條以確保測試區的密閉。
6、采用無反作用門把手,操作更容易。
7、測試孔(機器左側)可外接測試電源線或信號。
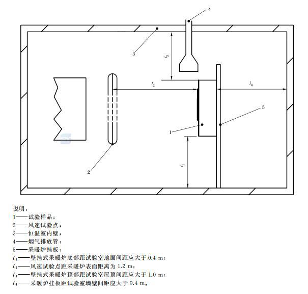
太陽能熱水器耐凍室示意圖:
.jpg)








